(A)
 (B)
 (C)
 (D)

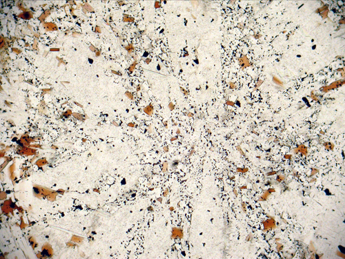
第4回地質写真コンテスト入選作品
題名: 菫青石ホルンフェルスの手標本と菫青石の三連透入双晶の顕微鏡写真
カテゴリー: 組写真(地質標本)
撮影者: 松浦 浩久
 (A)は京都市東山のホルンフェルスの手標本で、灰色の基地中に六角形のガラスのような菫青石結晶が見える。母岩に埋まっているため、名前通りのスミレ色に見えない。(B・C・D)は瀬戸内海にある岩国市端島の菫青石の顕微鏡写真で、(B)は下方ニコルのみ、(C)は直交ニコル、(D)は直交ニコルに鋭敏色検板を入れた状態で写している。菫青石の三個の結晶が一個体になった三連透入双晶をなしているので、六弁の花びらが開いたように見える。学生の時に岩石図鑑で(D)の構図の写真を見て、自分もすぐに同様の写真を撮るつもりだったが、実際には何年もかかってやっとこの写真の薄片を1枚得られた(薄片の横幅約 3mm)。